硅基负极具有远超石墨的理论比容量,被业界普遍视为最有前景的下一代锂电池负极材料。在诸多技术路线中,CVD(气相沉积)法硅碳在性能、成本和稳定性方面最具优势,被视为硅基负极的终局发展方向。
多孔炭是CVD硅碳材料的骨架,对材料性能起到关键作用。
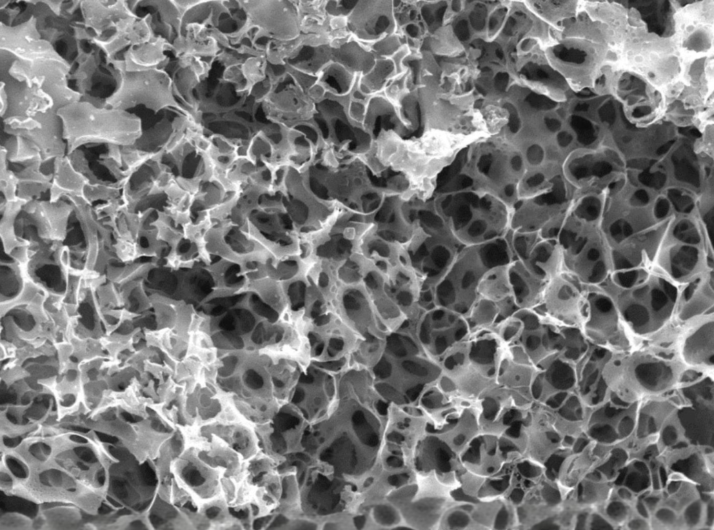
多孔炭是一种特殊的活性炭材料,具备高度发达的孔隙结构,具有比表面积大、导电性能优良、耐酸碱腐蚀等特点。根据国际纯粹及应用化学联合会(IUPAC)的定义,其孔径可分为微孔(<2nm)、中孔(介孔)(2-50nm)、大孔(>50nm)三类。

多孔炭在硅碳负极中作为骨架材料使用。CVD法硅碳的做法是将硅烷通入多孔炭,然后将硅烷热解生成纳米硅颗粒,使其沉积在多孔炭孔隙中生成硅碳复合材料;之后再进行碳包覆,即可用于制备负极。
硅碳负极在使用中有两个最大的问题,一是硅在嵌锂过程中体积膨胀巨大,会导致材料粉化;二是硅与电解液会发生副反应,反复生成过厚的SEI膜,消耗活性锂,降低电池首效和循环次数。通过使用基于多孔炭的CVD工艺,这两个问题都得到了很好的解决。一方面,多孔炭内部的孔隙可以缓冲硅在嵌锂过程中的体积膨胀;另一方面,碳包覆减少了硅与电解液的直接接触,抑制了SEI膜的重复生长,可以提升锂电池首次效率和循环性能。
由于具有超高的比表面积,多孔炭除了作为硅碳负极的骨架材料之外,还可以用来做吸附材料、催化剂载体、超级电容器的电极等。
根据原材料的不同,多孔炭主要分为生物基和树脂基两种,此外还有以石油焦、煤焦为原料的较为小众的路线。
生物基多孔炭的原料是天然有机物,椰壳、竹子、稻壳、木屑、淀粉等都可以作为原料,实际应用最多的是椰壳。生物基多孔炭的优点是来源广泛、成本低廉。
树脂基多孔炭是由高分子聚合物炭化而成,其主要优点是孔隙的均一性和批次一致性更好,这对动力电池的性能至关重要;缺点是成本高昂,其单吨成本是生物基多孔炭的5倍左右。由于锂电池材料行业对成本极其敏感,因此树脂基多孔炭还需要进一步降低成本。
为了增加孔隙数量,需要对炭化的前驱体进行造孔,称为“活化”,分为物理活化和化学活化。

物理活化是指利用二氧化碳、水蒸气等作为活化剂,在高温下使其生成活性氧,进而使材料发生氧化,从而发生开孔、扩孔、造孔作用,形成孔隙。物理活化制备活性炭的生产工艺简单、清洁,不存在设备腐蚀和环境污染的问题,产品不需要清洗即可直接使用。不过物理活化的作用力较弱,因此大多采用化学活化法。
化学活化是使用KOH、K2FeO4、磷酸或ZnCl2等试剂作为活化剂,与前驱体按一定质量比例相混合,在高温下使其与碳前驱体发生反应来达到造孔的目的。相较于物理活化法,化学活化可以得到具有更高比表面积和微孔率的产品,但是对设备要求更高,过程中污染也较大。
日本可乐丽是电池级多孔炭的龙头供应商,产品性能稳定,一致性好。超级电容和硅碳负极使用的多孔炭产品是相同的,目前国内大部分超级电容器厂家均采购可乐丽的产品。
国内的电池级多孔炭产能多由传统活性炭厂商扩产而来,产能较大的厂商有圣泉股份、元力股份、常州创明、阿佩克斯、浦士达等。与日本可乐丽的产品相比,国内产品的批次一致性仍有待进一步提高。
石大胜华是锂电池材料的重要生产企业之一。目前公司已经形成以碳酸酯类溶剂、锂盐、添加剂及硅基负极等锂电材料产品为核心,以锂电池电解液、高端新材料等新业务为增长点的一体化、立体化的完整网状产业链格局。
石大胜华坚持在新能源、新材料领域深耕,致力于向全球持续提供新能源、新材料优质产品和最佳解决方案,为推动新能源行业的发展贡献智慧和力量,为人类提供更加绿色、环保的生活环境。