所有竣工图均应加盖竣工图章(样式如下图4.2.8),并应符合下列规范:
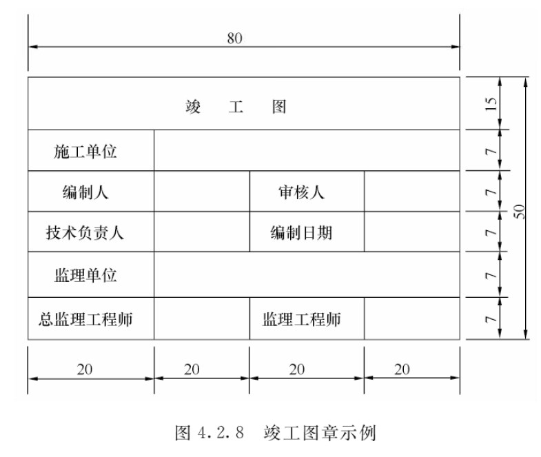
1、竣工图章的基本内容应包括:“竣工图”字样、施工单位、编制人、审核人、技术负责人、编制日期、监理单位、现场监理、总监。
2、竣工图章尺寸应为:50mm×80mm
3、竣工图章应使用不易褪色的印泥,应盖在图标栏上方空白处。


竣工图绘制与改绘要求
根据规范《GB/T50328-2014 建设工程文件归档规范(2019年局部修订)》第4.2.9条要求:
竣工图的绘制与改绘应符合国家现行有关制图标准的规定。
《GB/T50328-2014 建设工程文件归档规范(2019年局部修订)》条文说明 第4.2.2条 规定:
监理文件按现行国家标准《建设工程监理规范》GB/T50319编制;
建筑工程文件按现行行业标准《建筑工程资料管理规范》JGJ/T 185的要求编制;
市政工程施工技术文件及其竣工验收文件按照原建设部印发的《市政工程施工技术资料管理规定》(建城[2002]221号)编制。
竣工图的编制应按原国家建委1982年[建发施字50号]《关于编制基本建设竣工图的几项暂行规定》执行【文末附全文,82年发的通知,14年的规范还在引用!】。
地下管线工程竣工图的编制,应按现行行业标准《城市地下管线探测技术规程》CJJ 61中的有关规定执行。
CJJ/T125-2021 环境卫生图形符号标准
GB/T50104-2010 建筑制图标准
GB/T50105-2010 建筑结构制图标准
GB50786-2012 建筑电气制图标准
GB/T50001-2017 房屋建筑制图统一标准
GB/T50328-2014 建设工程文件归档规范(2019年局部修订)
CJJ 61 城市地下管线探测技术规程

一、基本建设竣工图是真实地记录各种地上地下建筑物、构筑物等情况的技术文件,是对工程进行交工验收、维护、改建、扩建的依据,是国家的重要技术档案。全国各建设、设计、施工单位和各主管部门,都要重视竣工图的编制工作,认真贯彻执行本规定。
二、各项新建、扩建、改建的基本建设工程,特别是基础、地下建筑、管线、结构、井巷、峒室、桥梁、隧道、港口、水坝以及设备安装等隐蔽部位,都要编制竣工图,编制各种竣工图必须在施工过程中(不能在竣工后),及时做好隐蔽工程检验记录,整理好设计变更文件,确保竣工图质量。
编制时间:竣工图必须在施工过程中(不能在竣工后)
三、编制竣工图的形式和深度,应根据不同情况,区别对待:
(1)凡按图施工没有变动的,则由施工单位(包括总包和分包施工单位,下同)在原施工图上加盖“竣工图”标志后,即作为竣工图。
(2)凡在施工中,虽有一般性设计变更,但能将原施工图加以修改补充作为竣工图的,可不重新绘制,由施工单位负责在原施工图(必须是新蓝图)上注明修改的部分,并附以设计变更通知单和施工说明,加盖“竣工图”标志后,即作为竣工图。
重大的改建、扩建工程涉及原有的工程项目变更时,应将相关项目的竣工图资料统一整理归档,并在原图案卷内增补必要的说明。
八、编制整理竣工图所需的费用,凡属设计原因造成的,由设计单位解决;施工单位负责编制所需的费用,由施工单位在建筑安装工程造价中解决;建设单位负责编制和需复制的费用,由建设单位在基建投资中解决;建成使用以后需要复制补制的费用,由使用单位负责解决。
十、本规定从批准、颁布之日开始试行。过去的有关规定,与本规定有抵触者,按本规定执行。